0577-62715977
高压户内外真空断路器的换流参数分析
发布时间:2021-08-07 10:27:59;浏览次数:1696;

高压直流系统以其经济性、稳定性和可调节性等优势,在诸多输电领域具有良好的发展前景,基于换流原理的高压直流开断方法,通过在断口叠加反向的高频电流,使电弧电流过零后熄灭,是高压直流开断的有效方式之一。
经典研究认为高压户内外真空断路器开断电流的极限在于其电流变化率di/dt,有学者通过多种换流支路参数进行实验并得出结论:基于换流原理的高压户内外真空断路器的开断极限由所开断的电流值和换流时间决定。
有学者利用CMOS高速摄像机观测了基于换流原理的高压真空直流开断过程中电弧的形态及转移过程,结果表明当注入同等的电弧能量,换流频率选择较低时,电流转移时间变长,电弧形态演化较慢,有利于电弧熄灭后电极间隙介质绝缘强度的恢复。但在开断数十kA的大电流时,电极急剧加热,在电极间隙将产生更多的金属蒸气和离子,相比电流转移时间的影响,电流零点时刻的粒子密度更大程度上取决于开断电流的大小。
目前基于换流原理的高压直流真空开断研究较多,但缺少换流投入时刻、换流时间与最小安全开距等换流参数的概念及细节的深究,结论也缺少足够的论证。
随着快速操动机构的发展,机械式断路器已经能够实现快速开断,技术更加成熟。基于换流原理的机械式高压户内外真空断路器,其换流时间与最小安全开距的配合是决定开关能否成功开断的关键,最小安全开距是机械式高压户内外真空断路器设计的重要参考依据。此外,某种意义上可以认为换流时间和最小安全开距是决定电弧熄灭后两电极间的介质恢复强度的关键因素之一。
换流时间与换流电流幅值及电弧电流过零前电流变化率相关,二阶微分方程无法解出含动态真空电弧特征的开断过程。大连理工大学电气工程学院、国网辽宁省电力有限公司电力科学研究院的研究人员,以基于换流原理的机械式高压户内外真空断路器为研究背景,定义并分析了换流时刻、换流时间、换流比等换流参数以及它们与最小安全开距的关系,通过直流开断实验分析不同换流参数对开断性能的影响。

 

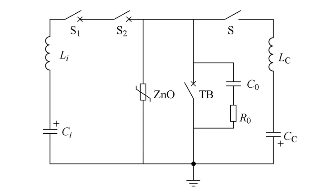
基于换流原理的机械式高压户内外真空断路器的基本结构

 

直流开断实验回路

研究人员最后得出以下结论:

1)换流时刻选择过早会导致电弧因触头开距不足而重燃,实验条件下,换流频率3kHz,开断5kA直流电流,换流时刻最早约为0.193ms,最小安全开距约为0.60mm

2)当换流频率和换流比一定时,随着开断电流幅值的增大,换流时间不变,断口恢复电压增大而介质恢复强度较低,对最小安全开距的要求近似呈线性增长。

3)当换流比相同时,随着换流频率的增加,换流时间明显缩短,加重开断负担。此时最小安全开距与换流电容预充电压及断口恢复电压相关。

4)当换流频率相同时,随着换流比的增加,对最小安全开距有更高的要求。