0577-62715977
浅谈高压户内外真空断路器的换流参数
发布时间:2021-10-30 10:11:21;浏览次数:1680;

高压直流系统以其经济性、稳定性和可调理性等优势,在诸多输电范畴具有杰出的开展前景,依据换流原理的高压直流开断办法,通过在断口叠加反向的高频电流,使电弧电流过零后停息,是高压直流开断的有用办法之一。
经典研讨认为高压户内外真空断路器开断电流的极限在于其电流改变率di/dt,有学者通过多种换流支路参数进行实验并得出结论:依据换流原理的高压户内外真空断路器的开断极限由所开断的电流值和换流时刻抉择。
有学者使用CMOS高速摄像机观测了依据换流原理的高压真空直流开断进程中电弧的形状及转移进程,结果表明当注入平等的电弧能量,换流频率挑选较低时,电流转移时刻变长,电弧形状演化较慢,有利于电弧停息后电极空隙介质绝缘强度的恢复。但在开断数十kA的大电流时,电极急剧加热,在电极空隙将产生更多的金属蒸气和离子,相比电流转移时刻的影响,电流零点时刻的粒子密度更大程度上取决于开断电流的大小。
现在依据换流原理的高压直流真空开断研讨较多,但缺少换流投入时刻、换流时刻与最小安全开距等换流参数的概念及细节的深究,结论也缺少足够的论证。
跟着快速操动安排的开展,机械式断路器现已可以完成快速开断,技术更加老练。依据换流原理的机械式高压户内外真空断路器,其换流时刻与最小安全开距的合作是抉择开关能否成功开断的关键,最小安全开距是机械式高压户内外真空断路器设计的重要参阅依据。此外,某种意义上可以认为换流时刻和最小安全开距是抉择电弧停息后两电极间的介质恢复强度的关键因素之一。
换流时刻与换流电流幅值及电弧电流过零前电流改变率相关,二阶微分方程无法解出含动态真空电弧特征的开断进程。大连理工大学电气工程学院、国网辽宁省电力有限公司电力科学研讨院的研讨人员,以依据换流原理的机械式高压户内外真空断路器为研讨布景,界说并剖析了换流时刻、换流时刻、换流比等换流参数以及它们与最小安全开距的联络,通过直流开断实验剖析不同换流参数对开断功能的影响。

 

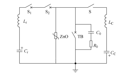
依据换流原理的机械式高压户内外真空断路器的底子结构

 

直流开断实验回路

研讨人员最终得出以下结论:

1)换流时刻挑选过早会导致电弧因触头开距缺少而重燃,实验条件下,换流频率3kHz,开断5kA直流电流,换流时刻最早约为0.193ms,最小安全开距约为0.60mm

2)当换流频率和换流比一守时,跟着开断电流幅值的增大,换流时刻不变,断口恢复电压增大而介质恢复强度较低,对最小安全开距的要求近似呈线性增加。

3)当换流比相一同,跟着换流频率的增加,换流时刻显着缩短,加重开断负担。此时最小安全开距与换流电容预充电压及断口恢复电压相关。

4)当换流频率相一同,跟着换流比的增加,对最小安全开距有更高的要求。