0577-62715977
现在的高压户内外真空断路器大部分是弹簧操作安排,也有永磁操作安排。弹簧操作安排得储能使经过一个带棘轮的齿轮传动来拉开弹簧,使弹簧蓄能并经过合闸触发释能,经过传动部分是真空灭弧室上下触头分隔完毕分闸。分闸则是经过在合闸时压缩得分闸簧,经过释能完毕的。合分闸室经过翻滚半轴来完毕动作灵敏释能。电气合分时经过电信号,使电磁线圈动作碰击来翻滚半轴。
在高压户内外真空断路器使用时需求了解高压户内外真空断路器分合闸的作业原理流程详解:
1、电机回路,主要是储能给合闸供给能量的;
2、合闸回路是用来合闸的;
3、分闸回路用来分闸;
4、防跳电磁铁回路主要是防止合闸后合闸开关未断开,当发生事端时跳闸后又合闸,形成跳跃式分合闸,发生危险;
5、辅佐回路是供给辅佐触点的;
6、闭锁回路用于两台以上断路器的连锁;
其他辅佐触点 电机储能点 用于联接电机储能指示灯 实验方位和作业方位微动开关 供给方位信号的。
高压户内外真空断路器的基本结构
以下面高压户内外真空断路器为例,阐明其结构与作业原理。
断路器本体结构如图一:
断路器本体部分由导电回路,绝缘系统,密封件和壳体组成。整体结构为三相共箱式。其间导电回路由进出线导电杆,进出线绝缘支座,导电夹,软联接与真空灭弧室联接而成。
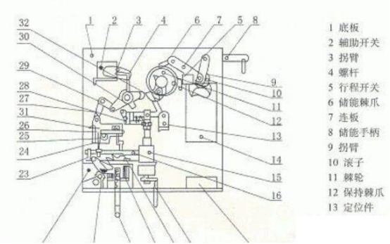
操作安排如图二:

此安排为电动储能,电动分合闸,一起具有手动功用。整个结构由合闸弹簧,储能系统,过流脱扣器,分合闸线圈,手动分合闸系统,辅佐开关,储能指示等部件组成。
高压户内外真空断路器利用高真空中电流流过零点时,等离子体敏捷分散而平息电弧,完毕堵截电流的意图。
动作原理
储能进程:当储能电机 14接通电源时,电机带动偏疼轮翻滚,经过紧靠在偏疼轮上的滚子10带动拐臂9及连板7摇摆,推动储能棘爪6摇摆,使棘轮11翻滚,当棘轮11上的销与储能轴套32的板靠住往后,二者一起运动,使挂在储能轴套上32上的合闸弹簧21拉长。储能轴套32由定位销13固定,坚持储能情况,一起,储能轴套32上的拐臂推动行程开关5堵截储能电机14的电源,并且储能棘爪被抬起,与棘轮牢靠脱离。
合闸操作进程:当安排接到合闸信号后(开关处于断开,已储能情况),合闸电磁铁 15的铁心被吸向下运动,拉动定位件13向逆时针方向翻滚,革除储能坚持,合闸弹簧21带动储能轴套32逆时针方向翻滚,其凸轮压动传动轴套 30,带动连板29及摇臂27运动,使摇臂27扣住半轴25,使安排处于合闸情况。此刻,连锁设备28锁住定位件,使定位牛不能逆时针方向翻滚,到达安排联销的意图,保证了安排在合闸方位不能合闸操作。
分闸操作进程:断路器合闸后,分闸电磁铁接到信号,铁芯吸合,分闸脱扣器 19中的顶杆向上运动,使脱扣轴16翻滚,带动顶杆18向上运动,顶动弯板26并带动半轴25向反时针方向翻滚。半轴25与摇臂27解扣,在分闸弹簧的效果下,断路器完毕分闸操作。