0577-62715977
什么是高压户内外真空断路器的换流参数
发布时间:2022-02-11 11:03:40;浏览次数:1625;

高压直流系统以其经济性、稳定性和可调理性等优势,在许多输电领域具有出色的打开前景,依据换流原理的高压直流开断办法,经过在断口叠加反向的高频电流,使电弧电流过零后暂停,是高压直流开断的有用办法之一。
经典研讨以为高压户内外真空断路器开断电流的极限在于其电流改变率di/dt,有学者经过多种换流支路参数进行实验并得出结论:依据换流原理的高压户内外真空断路器的开断极限由所开断的电流值和换流时刻选择。
有学者运用CMOS高速摄像机观测了依据换流原理的高压真空直流开断进程中电弧的形状及转移进程,结果表明当注入持平的电弧能量,换流频率选择较低时,电流转移时刻变长,电弧形状演化较慢,有利于电弧暂停后电极空位介质绝缘强度的恢复。但在开断数十kA的大电流时,电极急剧加热,在电极空位将产生更多的金属蒸气和离子,比较电流转移时刻的影响,电流零点时刻的粒子密度更大程度上取决于开断电流的巨细。
现在依据换流原理的高压直流真空开断研讨较多,但缺少换流投入时刻、换流时刻与最小安全开距等换流参数的概念及细节的深究,结论也缺少满足的论证。
跟着快速操动安排的打开,机械式断路器现已可以完结快速开断,技术愈加老到。依据换流原理的机械式高压户内外真空断路器,其换流时刻与最小安全开距的协作是选择开关能否成功开断的要害,最小安全开距是机械式高压户内外真空断路器规划的重要参看依据。此外,某种意义上可以以为换流时刻和最小安全开距是选择电弧暂停后两电极间的介质恢复强度的要害因素之一。
换流时刻与换流电流幅值及电弧电流过零前电流改变率相关,二阶微分方程无法解出含动态真空电弧特征的开断进程。大连理工大学电气工程学院、国网辽宁省电力有限公司电力科学研讨院的研讨人员,以依据换流原理的机械式高压户内外真空断路器为研讨布景,定义并剖析了换流时刻、换流时刻、换流比等换流参数以及它们与最小安全开距的联络,经过直流开断实验剖析不同换流参数对开断功用的影响。

 

依据换流原理的机械式高压户内外真空断路器基础结构

 

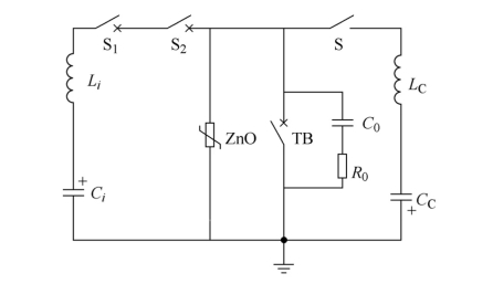
直流开断实验回路

研讨人员终究得出以下结论:

1)换流时刻选择过早会导致电弧因触头开距缺少而重燃,实验条件下,换流频率3kHz,开断5kA直流电流,换流时刻最早约为0.193ms,最小安全开距约为0.60mm

2)当换流频率和换流比一守时,跟着开断电流幅值的增大,换流时刻不变,断口恢复电压增大而介质恢复强度较低,对最小安全开距的要求近似呈线性增加。

3)当换流比相一同,跟着换流频率的增加,换流时刻显着缩短,加重开断担负。此时最小安全开距与换流电容预充电压及断口恢复电压相关。

4)当换流频率相一同,跟着换流比的增加,对最小安全开距有更高的要求。