首页
关于我们
新闻资讯
产品中心
高压开关设备
低压开关设备
电缆分支箱
箱式变电站
户内高压隔离开关
户内高压接地开关
户内高压真空断路器
户内高压真空负荷开关
户外高压隔离开关
户外高压真空断路器
VS1
荣誉资质
联系我们
0577-62715977
产品中心
高压开关设备
低压开关设备
电缆分支箱
箱式变电站
户内高压隔离开关
户内高压接地开关
户内高压真空断路器
户内高压真空负荷开关
户外高压隔离开关
户外高压真空断路器
VS1
高压开关设备
低压开关设备
电缆分支箱
箱式变电站
户内高压隔离开关
户内高压接地开关
户内高压真空断路器
户内高压真空负荷开关
户外高压隔离开关
户外高压真空断路器
VS1
首页
>
产品中心
>
VS1
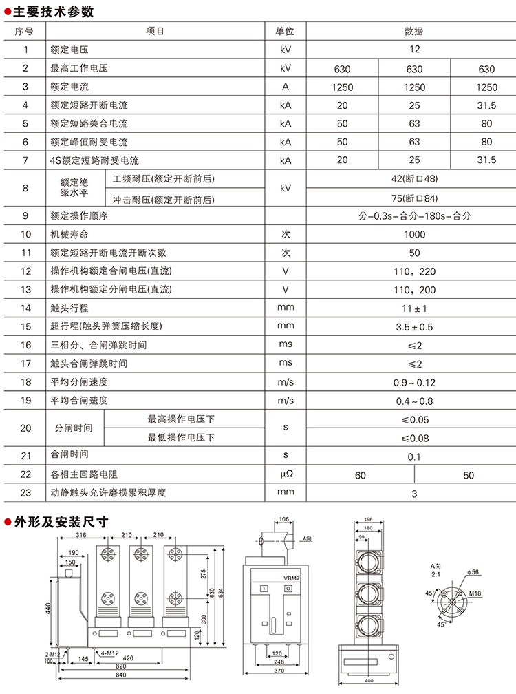
ZN63(VS1)-12户内高压真空断路器-2
上一篇:
ZN63(VS1)-12户内高压真空断路器
下一篇:
ZN63(VS1)-24户内高压真空断路器
关于我们
公司简介
资质证书
联系我们
新闻中心
新闻资讯
产品中心
高压开关设备
低压开关设备
电缆分支箱
箱式变电站
户内高压隔离开关
 
户内高压接地开关
户内高压真空断路器
户内高压真空负荷开关
户外高压隔离开关
户外高压真空断路器
联系方式
地址:浙江省乐清市柳市镇新光工业区
手机:13757783253
邮箱:986677639@qq.com
COPYRIGHT © 2021 浙江环高电气有限公司 ALL RIGHTS RESERVED 技术支持:
365网站建设
浙ICP备13011232号-1
【
网站地图
】