0577-62715977
高压户内外真空断路器的基本结构
以下面高压户内外真空断路器为例,阐明其结构与作业原理。
断路器本体结构如图一:
断路器本体部分由导电回路,绝缘体系,密封件和壳体组成。全体结构为三相共箱式。其间导电回路由进出线导电杆,进出线绝缘支座,导电夹,软联接与真空灭弧室联接而成。
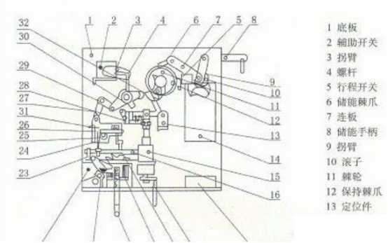
操作组织如图二:

此组织为电动储能,电动分合闸,一同具有手动功用。整个结构由合闸绷簧,储能体系,过流脱扣器,分合闸线圈,手动分合闸体系,辅佐开关,储能指示等部件组成。
高压户内外真空断路器利用高真空中电流流过零点时,等离子体敏捷分散而平息电弧,结束堵截电流的目的。
动作原理
储能进程:当储能电机 14接通电源时,电机带动偏疼轮翻滚,通过紧靠在偏疼轮上的滚子10带动拐臂9及连板7摇摆,推进储能棘爪6摇摆,使棘轮11翻滚,当棘轮11上的销与储能轴套32的板靠住往后,二者一同运动,使挂在储能轴套上32上的合闸绷簧21拉长。储能轴套32由定位销13固定,坚持储能状况,一同,储能轴套32上的拐臂推进行程开关5堵截储能电机14的电源,并且储能棘爪被抬起,与棘轮牢靠脱离。
合闸操作进程:当组织接到合闸信号后(开关处于断开,已储能状况),合闸电磁铁 15的铁心被吸向下运动,拉动定位件13向逆时针方向翻滚,革除储能坚持,合闸绷簧21带动储能轴套32逆时针方向翻滚,其凸轮压动传动轴套 30,带动连板29及摇臂27运动,使摇臂27扣住半轴25,使组织处于合闸状况。此刻,连锁设备28锁住定位件,使定位牛不能逆时针方向翻滚,达到组织联销的目的,确保了组织在合闸方位不能合闸操作。
分闸操作进程:断路器合闸后,分闸电磁铁接到信号,铁芯吸合,分闸脱扣器 19中的顶杆向上运动,使脱扣轴16翻滚,带动顶杆18向上运动,顶动弯板26并带动半轴25向反时针方向翻滚。半轴25与摇臂27解扣,在分闸绷簧的作用下,断路器结束分闸操作。