0577-62715977
浅析高压户内外真空断路器的换流参数
发布时间:2021-12-10 10:09:25;浏览次数:1487;

高压直流系统以其经济性、稳定性和可调理性等优势,在许多输电领域具有杰出的展开前景,根据换流原理的高压直流开断方法,经过在断口叠加反向的高频电流,使电弧电流过零后暂停,是高压直流开断的有用方法之一。
大多认为高压户内外真空断路器开断电流的极限在于其电流改变率di/dt,有学者经过多种换流支路参数进行试验并得出定论:根据换流原理的高压户内外真空断路器的开断极限由所开断的电流值和换流时间选择。
有学者使用CMOS高速摄像机观测了根据换流原理的高压真空直流开断进程中电弧的形状及搬运进程,结果表明当注入相等的电弧能量,换流频率挑选较低时,电流搬运时间变长,电弧形状演化较慢,有利于电弧暂停后电极空地介质绝缘强度的康复。但在开断数十kA的大电流时,电极急剧加热,在电极空地将产生更多的金属蒸气和离子,比较电流搬运时间的影响,电流零点时间的粒子密度更大程度上取决于开断电流的大小。
现在根据换流原理的高压直流真空开断研讨较多,但短少换流投入时间、换流时间与最小安全开距等换流参数的概念及细节的深究,定论也短少满足的论证。
跟着快速操动组织的展开,机械式断路器现已能够完成快速开断,技术愈加老到。根据换流原理的机械式高压户内外真空断路器,其换流时间与最小安全开距的合作是选择开关能否成功开断的要害,最小安全开距是机械式高压户内外真空断路器规划的重要参看根据。此外,某种意义上能够认为换流时间和最小安全开距是选择电弧暂停后两电极间的介质康复强度的要害因素之一。
换流时间与换流电流幅值及电弧电流过零前电流改变率相关,二阶微分方程无法解出含动态真空电弧特征的开断进程。大连理工大学电气工程学院、国网辽宁省电力有限公司电力科学研讨院的研讨人员,以根据换流原理的机械式高压户内外真空断路器为研讨布景,界说并分析了换流时间、换流时间、换流比等换流参数以及它们与最小安全开距的联络,经过直流开断试验分析不同换流参数对开断功用的影响。

 

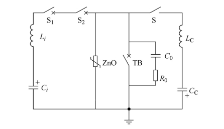
根据换流原理的机械式高压户内外真空断路器的根柢结构

 

直流开断试验回路

研讨人员最终得出以下定论:

1)换流时间挑选过早会导致电弧因触头开距短少而重燃,试验条件下,换流频率3kHz,开断5kA直流电流,换流时间最早约为0.193ms,最小安全开距约为0.60mm

2)当换流频率和换流比一守时,跟着开断电流幅值的增大,换流时间不变,断口康复电压增大而介质康复强度较低,对最小安全开距的要求近似呈线性添加。

3)当换流比相一起,跟着换流频率的添加,换流时间明显缩短,加重开断担负。此时最小安全开距与换流电容预充电压及断口康复电压相关。

4)当换流频率相一起,跟着换流比的添加,对最小安全开距有更高的要求。